- Технические характеристики и другая информация предоставляются для справки.
- Чертежи и изображения представлены для ознакомления
Подшипник с перекрестными роликами SX 011818
Технические характеристики
Обозначение : SX011818
Размеры, мм : 90x115x13
Производитель : INA
Диаметр внутренний, мм : 90
Диаметр наружный, мм : 115
Высота, мм : 13
Технические данные из каталога производителя :
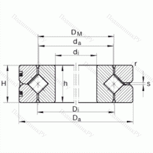
di - 90 mm / Допуск: K6+0,004 / -0,018
Da - 115 mm / Допуск: h6 -0,022
H - 13 mm / монтажная высота подшипниковДопуск: +/-0,12
Di - 102,5 mm
DM - 102 mm
da - 101,5 mm
h - 13 mm / высота отдельного кольцаДопуск: E8 -0,01
rmin - 1 mm
S - 1,2 mm / Смазочное отверстие: 3 отверстия равномерно распределены по окружности
m - 0,4 kg / Вес
- 0,010 mm / точность радиальная
- 0,010 mm / точность осевая
sr min - 0,003 mm / мин. радиальный зазор в подшипнике
sr max - 0,015 mm / макс. радиальный зазор в подшипнике
sk min - 0,006 mm / мин. осевой зазор по опрокидывающему моменту
sk max - 0,03 mm / макс. осевой зазор по опрокидывающему моменту
RLOmax - 0,003 mm / с уменьшенным зазором: радиальный зазор
RLOmax - 0,006 mm / с уменьшенным зазором: предварительный натяг
VSPmin - 0,003 mm / мин. предварительный натяг в подшипнике
VSPmax - 0,015 mm / макс. предварительный натяг в подшипнике
Ca - 25500 N / динамическая грузоподъемность, осевая
C0a - 91000 N / статическая грузоподъемность, осевая
Cr - 18300 N / динамическая грузоподъемность, радиальная(при исключительно радиальной нагрузке)
C0r - 36500 N / статическая грузоподъемность, радиальная(при исключительно радиальной нагрузке)
nG Ol - 1500 1/min / предельная частота вращения при смазывании маслом и нормальном зазоре
nG Fett - 750 1/min / предельная частота вращения при консистентной смазке и нормальном зазоре
nG Ol - 750 1/min / предельная частота вращения при смазывании маслом и предварительном натяге
nG Fett - 375 1/min / предельная частота вращения при консистентной смазке
Размерная серия 18 по DIN 616
| 
																Производитель
															 | INA | 
| 
																Ширина B
															 | 13 | 
| 
																Внешний диаметр D
															 | 115 | 
| 
																Внутренний диаметр d
															 | 90 | 
| 
																Размер
															 | 90x115x13 | 
| 
																Вес, кг
															 | 0.4 | 
| 
																Модель
															 | SX011818-INA | 
| 
																SKU
															 | SX011818-INA | 
Похожие по размеру
Оформить заказ на нашем сайте легко. Просто добавьте выбранные товары в корзину, а затем перейдите на страницу Корзина, проверьте правильность заказанных позиций и нажмите кнопку «Оформить заказ» или «Быстрый заказ».
Функция «Быстрый заказ» позволяет покупателю не проходить всю процедуру оформления заказа самостоятельно. Вы заполняете форму, и через короткое время вам перезвонит менеджер магазина. Он уточнит все условия заказа, ответит на вопросы, касающиеся качества товара, его особенностей. А также подскажет о вариантах оплаты и доставки.
По результатам звонка, пользователь либо, получив уточнения, самостоятельно оформляет заказ, укомплектовав его необходимыми позициями, либо соглашается на оформление в том виде, в котором есть сейчас. Получает подтверждение на почту или на мобильный телефон и ждёт доставки.
Если вы уверены в выборе, то можете самостоятельно оформить заказ, заполнив по этапам всю форму.
Выберите из списка название вашего региона и населённого пункта. Если вы не нашли свой населённый пункт в списке, выберите значение «Другое местоположение» и впишите название своего населённого пункта в графу «Город». Введите правильный индекс.
	 В зависимости от места жительства вам предложат варианты доставки. Выберите любой удобный способ. 
	
	Оплата
Выберите оптимальный способ оплаты.
Введите данные о себе: ФИО, адрес доставки, номер телефона. В поле «Комментарии к заказу» введите сведения, которые могут пригодиться курьеру, например: подъезды в доме считаются справа налево.
Проверьте правильность ввода информации: позиции заказа, выбор местоположения, данные о покупателе. Нажмите кнопку «Оформить заказ».
Наш сервис запоминает данные о пользователе, информацию о заказе и в следующий раз предложит вам повторить к вводу данные предыдущего заказа. Если условия вам не подходят, выбирайте другие варианты.

 
                                            
                                        